Description
Télécharger
Partie du kit
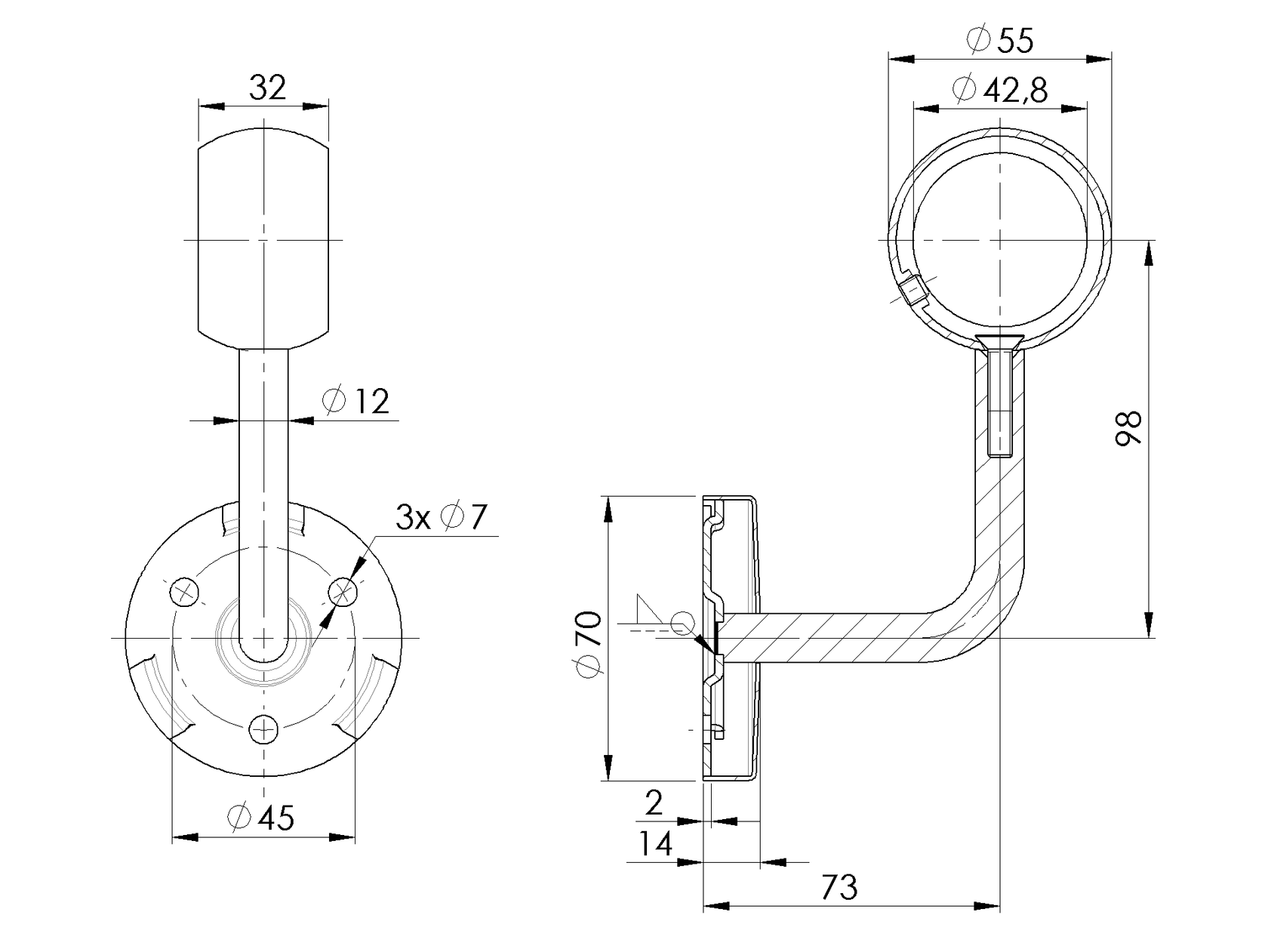
Support de main courante A/0110-000
Vis a tete fraisée a six pans creux, AISI304, M6x14 A-DIN 7991-A2 M6x14
Support de main courante - bague A6/42-55-35-B
Liste de catalogues
Produits demandés
Cheville nylon GL PVC, d8, h40mm Q5/07-8 NYLON
Disponibilité en stock
Historique des prix
Vis a bois a tete cylindrique bombée a empreinte cruciforme, type Z A-PH 6x45
