Description
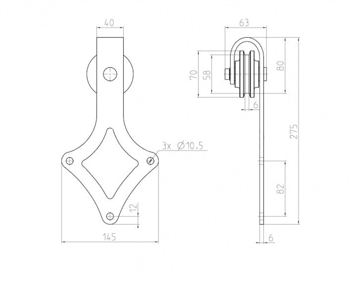
Fitting size: 145 x 275 mm, Material: steel. Color: matt black. Package contents: rail 200 cm - 1pc, trolley - 2pcs, stop - 2pcs, bottom guide - 1pc, connecting and anchoring material.
Spacer roller / rail distance from wall: 35mm
Load capacity: 100kg
Parameters
Material
Defines the material from which the product is made.
Steel
Surface finish
Surface finish of product
Color
Effect
Vyberte si farebný odtieň.
Black






