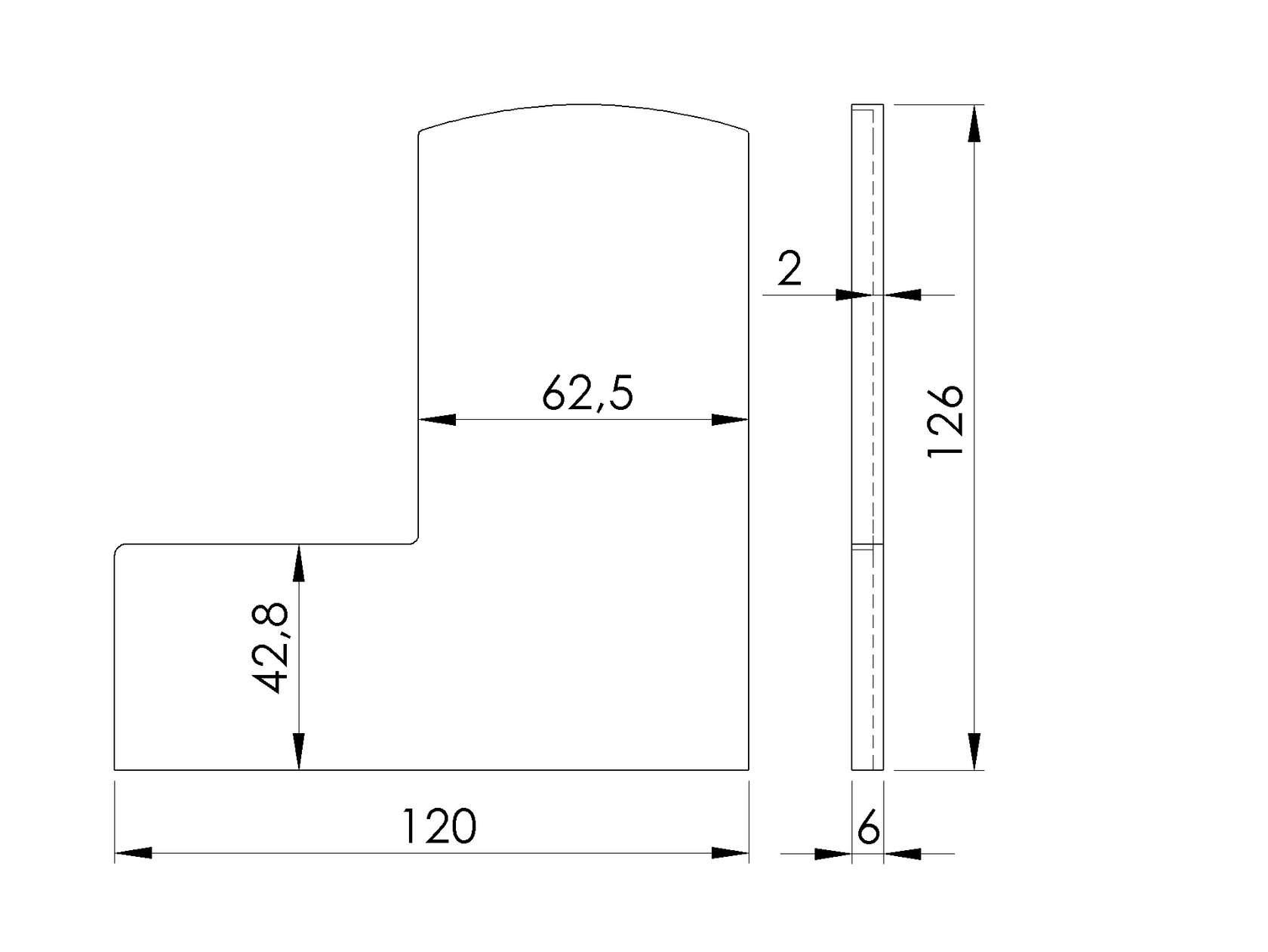
AL/0035-006-UNO-K-S-E
Endkappe für Aluprofil Al/0006-UNO-S-E
€29,92
Grundpreis
/
Nicht verfügbar
ohne MwSt.
mit MwSt.
Lagerverfügbarkeit
SK Krompachy
> 25
SK Banská Bystrica
0
SK Bratislava R1
0
Kontakt
Kontakt
Für weitere Informationen kontaktieren Sie bitte unseren Händler
jaroslav.kubove@umakov.de; tatiana.monokova@umakov.de
+421901708245, +421918822581
Beschreibung
Endkappe für Aluprofil AL/0004-1250-S-E, AL/0004-2500-S-E und AL/0004-5000-S-E für Treppen
